


工業自動化升級的加速推進、智能制造戰略的實施以及新興行業的蓬勃發展。隨著對節能環保意識的提高,智能變頻控制柜在降低能耗、提高生產效率方面具有顯著優勢,被應用于電氣、機械、冶金、化工等多個行業領域。未來,市場發展將集中在產品功能的進一步增強、智能化程度的提升以及服務模式的多元化方向。例如,人工智能、大數據等技術的融入將使控制柜具備更加強大的自診斷、故障預測和遠程維護能力,滿足用戶對個性化定制和高效服務的更高要求。同時,云平臺、物聯網等技術也將推動控制柜與工業互聯網深度融合,實現數據共享、協同控制和智慧化管理。
智能變頻控制柜優點:
1、節能降耗
智能變頻控制柜可根據實際用水量或負載變化自動調節水泵或風機轉速,采用智能變頻技術,能夠根據設備的實際運行需求,自動調節電機的轉速。避免“大馬拉小車”現象,相比傳統工頻運行可節能30%-60% 。
2、壓力/流量控制更精準
采用閉環控制技術,系統能實時監測管網壓力并與設定值對比,自動調整輸出頻率,使壓力波動控制在±0.2bar范圍內,提升了供水穩定性與工藝質量 。
3、延長電機與水泵使用壽命
實現軟啟動和軟停止,從0Hz逐步加速,減少啟動時對電機和機械部件的沖擊電流與應力,降低磨損,延長設備壽命 。
4、運行更安靜,環境友好
由于電機無需全速運轉,尤其在低負荷時段轉速下降明顯,有效降低了設備運行噪音,改善工作環境 。
5、高度自動化與智能管理
支持多種控制模式(如液位、壓力、溫度、時間控制),具備自動巡檢、故障記憶、遠程監控、定時換泵、小流量休眠等功能,減少人工干預,實現無人值守 。
6、操作簡便:
采用人機界面觸屏操作,老人小孩都能操作。具備操作簡便、維護方便等優點。
7、提高生產效率:
通過優化電機運行參數,實現精確的速度和扭矩控制,顯著提升生產效率。這種高效能的運作不僅降低了能源消耗,還增強了設備的運行穩定性。
8、增強系統可靠性:
采用可編程控制器(PLC)進行集中管理和控制,確保了系統的高可用性和低維護成本。PLC的實時監控功能使系統能夠適應各種工況變化,從而保障了整個生產過程的連續性和安全性。
9、實現遠程控制:
PLC控制柜集成的遠程模塊使得操作人員可以通過網絡進行遠程監控和維護,極大地擴展了自動化控制系統的應用范圍,并提供了更大的靈活性和便利性。
10、降低操作風險:
通過多重保護功能和自診斷能力,有效避免了因電氣故障或機械故障引起的事故,保障了人員安全和生產安全。
智能變頻控制柜技術參數
1、變頻控制柜.直接啟動控制柜
控制電機功率:0.75-90KW;控制電壓:380V;
控制水泵臺數:1-4臺。
2、變頻控制柜.三角啟動
控制電機功率:15-90KW;
控制電壓:380V;
控制水泵臺數:1-5臺。
3、變頻控制柜.自動減壓啟動控制柜
控制電機功率:15-160KW;控制電壓:380V;
控制水泵臺數:1-5臺。
4、變頻控制柜.全自動變頻調速控制柜
控制電機功率:0.18-250KW;控制電壓:380V;
控制電機臺數:1-7臺;
壓力控制精度:0.02MPa或-0.02MPa
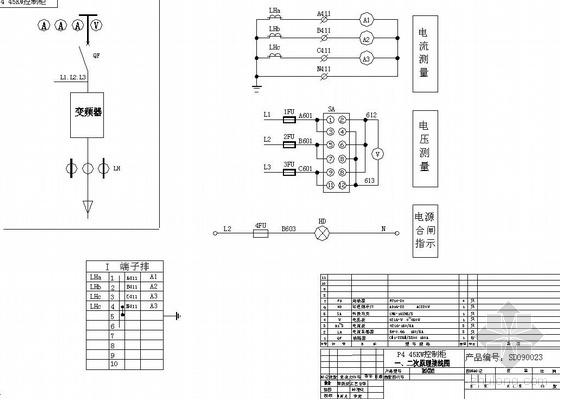
智能變頻控制柜原理圖

1、液位控制:該控制柜配高性能Key浮球開關,根據液位的高、低變化,自動控制給排水泵的開、停。
2、壓力控制:外接電接點壓力表或壓力控制器,可根據管網壓力的變化自動開泵、關泵,本型大量應用于生活給水及消防增壓系統。
3、溫度控制:外接溫度控制器,根據設定的溫度范圍開泵或關泵,應用于恒溫、熱交換系統等需溫度控制的場合。
4、時間控制:機箱面板設有時間設定按扭和顯示器,用戶可根據定時需要控制水泵的開啟和關閉,適用于各種定時或有規律的間歇式工作方式的控制。
智能變頻控制柜優點:
1、節能降耗
智能變頻控制柜可根據實際用水量或負載變化自動調節水泵或風機轉速,采用智能變頻技術,能夠根據設備的實際運行需求,自動調節電機的轉速。避免“大馬拉小車”現象,相比傳統工頻運行可節能30%-60% 。
2、壓力/流量控制更精準
采用閉環控制技術,系統能實時監測管網壓力并與設定值對比,自動調整輸出頻率,使壓力波動控制在±0.2bar范圍內,提升了供水穩定性與工藝質量 。
3、延長電機與水泵使用壽命
實現軟啟動和軟停止,從0Hz逐步加速,減少啟動時對電機和機械部件的沖擊電流與應力,降低磨損,延長設備壽命 。
4、運行更安靜,環境友好
由于電機無需全速運轉,尤其在低負荷時段轉速下降明顯,有效降低了設備運行噪音,改善工作環境 。
5、高度自動化與智能管理
支持多種控制模式(如液位、壓力、溫度、時間控制),具備自動巡檢、故障記憶、遠程監控、定時換泵、小流量休眠等功能,減少人工干預,實現無人值守 。
6、操作簡便:
采用人機界面觸屏操作,老人小孩都能操作。具備操作簡便、維護方便等優點。
7、提高生產效率:
通過優化電機運行參數,實現精確的速度和扭矩控制,顯著提升生產效率。這種高效能的運作不僅降低了能源消耗,還增強了設備的運行穩定性。
8、增強系統可靠性:
采用可編程控制器(PLC)進行集中管理和控制,確保了系統的高可用性和低維護成本。PLC的實時監控功能使系統能夠適應各種工況變化,從而保障了整個生產過程的連續性和安全性。
9、實現遠程控制:
PLC控制柜集成的遠程模塊使得操作人員可以通過網絡進行遠程監控和維護,極大地擴展了自動化控制系統的應用范圍,并提供了更大的靈活性和便利性。
10、降低操作風險:
通過多重保護功能和自診斷能力,有效避免了因電氣故障或機械故障引起的事故,保障了人員安全和生產安全。










共有0條評論